Phone
Email
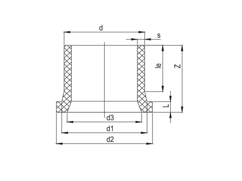
Size
Pressure(Bar)
(mm)
Weight (kg)
d
20
PN 10
27
45
7
43
75
0.026
25
33
58
8
40
82
0.035
32
67
9
44
0.054
50
78
61
86
0.075
88
13
52
84
0.120
63
102
15
65
100
0.170
89
122
17
0.285
90
105
138
80
120
0.315
110
158
18
140
0.500
125
132
22
145
0.650
155
188
95
150
0.880
160
175
212
165
1.180
180
185
30
170
1.480
200
232
268
2.347
225
235
2.342
250
285
320
135
3.482
280
291
35
220
4.030
315
335
370
215
5.145
355
373
430
137
210
6.745
400
427
482
221
8.747
450
460
535
276
12.465
500
530
585
48
279
16.520
560
615
685
205
305
25.350
630
640
55
255
330
29.100